Reverse Engineering of Glue Gun

Project information

  • Category: Reverse Engineering
  • Project date: 05 August, 2025
  • Team Members: Bhagya, Malith, Lahiru, Janith

About Project

This group project involved reverse engineering a glue gun by analyzing its working principle, creating detailed 3D models of each component, and identifying areas for improvement. I contributed by designing components in SolidWorks, assisting in the disassembly and analysis process, and helping propose practical design enhancements.


My Contribution

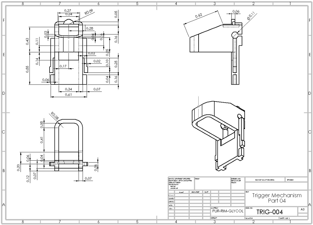
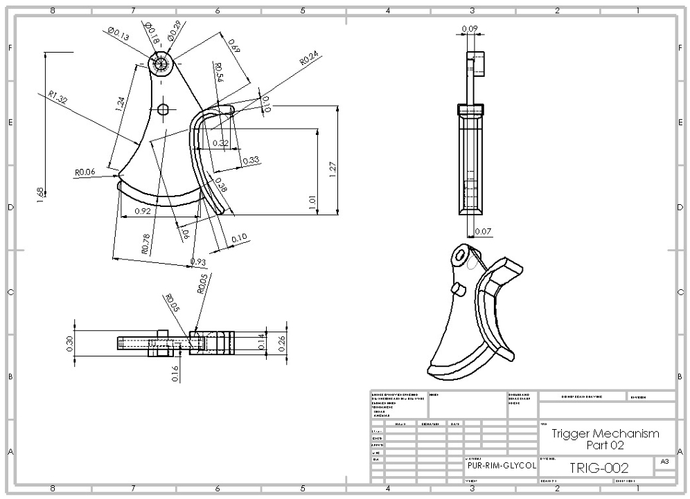
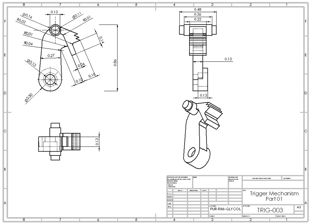
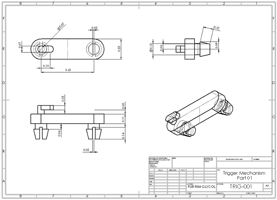
I focused on analyzing the trigger mechanism of the glue gun, which consists of several small plastic parts and a spring. I modeled each component of the trigger mechanism (except the spring) in 3D using SolidWorks, performed material identification tests and suggest most suitable manufacturing processes for each component.